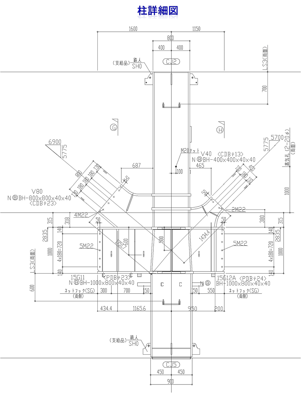
鉄骨設計

鉄骨の設計図(意匠図、構造図)と設計検査用図面等の作業を受託しております。TEKLA 、AUTOCAD等ソフトを駆使して、鉄骨の詳細設計と鉄骨の工場、現場、加工、組立用の図面とCADデータを提供いたします。

TOP